КОНТАКТЫ: email: vent.sp77@mail.ru
ГОСТ 13568-97 ( ГОСТ 13568-75) ЦЕПИ ПРИВОДНЫЕ РОЛИКОВЫЕ И ВТУЛОЧНЫЕ
Приводные цепи предназначены для силовых механических передач разнообразных машин и механизмов. В зависимости от разрушающей нагрузки разделяют однорядные и многорядные приводные цепи. Приводные цепи незаменимы в деревообрабатывающей, машиностроительной, а также металлургической промышленности.
ПРИВОДНЫЕ ЦЦепи приводные роликовые и втулочные изготавливаются следующих типов:
- ПР, 2ПР, 3ПР, 4ПР - приводные роликовые одно-, двух-, трех- и четырехрядные нормальной точности;
- ПРД - приводные роликовые длиннозвенные;
- ПВ, 2ПВ - приводные втулочные одно- и двухрядные;
- ПРИ - приводные роликовые с изогнутыми пластинами.
ЦЕПИ ОДНОРЯДНЫЕ

Пример условных обозначений цепей и комплектующих изделий:
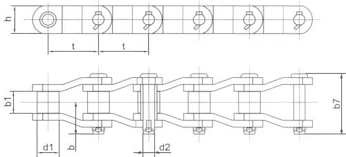
Цепь ПР-12,7-18,2 ГОСТ 13568-97
Цепь приводная роликовая однорядная
12,7 мм-шаг цепи с
расстоянием между внутренними пластинами b1 = 7,75 мм
18,2 кН:- и с разрушающей нагрузкой
То же, с расстоянием между внутренними пластинами b1 = 5,40 мм:
Цепь ПР-12,7-18,2-1 ГОСТ 13568-97
Комплектующие изделия для этих цепей:
- Звено С-ПР-12,7-18,2-1 ГОСТ 13568-97
Звено соединительное - Звено С-ПР-12,7-18,2 ГОСТ 13568-97
- Звено П-ПР-12,7-18,2-1 ГОСТ 13568-97
Звено переходное - Звено П-ПР-12,7-18,2 ГОСТ 13568-97
Приводные роликовые длиннозвенные ПРД по ГОСТ 13568-75
Пример условного обозначения цепи: ПРД-50,8 -6000 -ГОСТ 13568-75
ПРД-приводная роликовая длиннозвенная
50,8- шаг цепи- в мм,
6000-разрушающая нагрузка -в кгс
Приводные роликовые цепи с изогнутыми пластинами (ПРИ) выпускаются по ГОСТ 13568-97, по ISO 3512 и по стандарту предприятия.
Цепи приводные роликовые с изогнутыми пластинами применяются в сильно нагруженных цепных приводах в особо неблагоприятных условиях эксплуатации: в гусеничных машинах, в строительной технике, в нефтебуровых установках вращательного действия.
Данный вид цепей разработан специально для использования в таких машинах, при эксплуатации которых возможны ударные нагрузки. В таких случаях при перегрузке пластины цепи изменяют свою форму, и разрушения цепи не происходит.
Приводные роликовые цепи с изогнутыми пластинами выпускаются по ГОСТ 13568-97, по ISO 3512 и по стандарту предприятия.
ТЕЛ :(+38)0677036427 , (+38)0686089285. (+38) 0987856187
email: vent.k20@gmail.co vent.sp77@mail.ru